D641W-1C氣動通風蝶閥
產品概況
產品型號:D641W-1C
公稱通徑:DN50~2000mm
公稱壓力:0.05~0.6MPa
適用溫度:≦425℃
適用介質:煤氣、含塵氣體、煙道氣等
閥體材質:鑄鋼、不銹鋼、鉻鎳鉬鈦鋼、鉻鉬鈦鋼等特殊材料
設計標準:GB/T12238-1989 JB/T8692-1998
法蘭連接尺寸:GB/T9115.1-2000
結構長度:GB/T12221-1989
壓力試驗:GB/T13927-1992;JB/T9092-1999
一、D641W-1C氣動通風蝶閥簡介
百鋼閥門集團生產銷售的D641W-1C氣動通風蝶閥采用與閥體相同材料加工成密封圈,采用電或氣動傳動。其適用溫度隨閥體選材而定,公稱壓力≤0.6MPa,一般適用于工業、冶金、環保等管道作通風調節介質流量之用。
二、D641W-1C氣動通風蝶閥主要特點
1、設計新穎、合理,重量輕,啟閉迅速。
2、操力矩小,操作方便,省力靈巧。
3、采用適應的材料以滿足低、中、高不同介質溫度其及腐蝕性介質等。
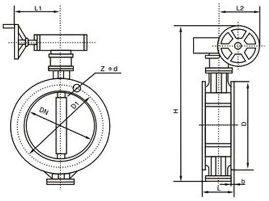
三、D641W-1C氣動通風蝶閥外形尺寸 (PN0.5、2.5)

|
公稱通徑 毫米 |
結構長度 (標準值) |
外形尺寸 (參考值) |
連接尺寸(標準值) | 氣動執行器型號 | |||||||
| 0.05MPa和0.25MPa | |||||||||||
| DN | 英寸 | L | H | H1 | D | D1 | D2 | Z-d | A | W | |
| 100 | 4 | 120 | 105 | -- | 210 | 170 | 144 | 4-18 | 140 | 70 | GTD63 |
| 125 | 5 | 120 | 120 | -- | 240 | 200 | 174 | 8-18 | 140 | 70 | GTD63 |
| 150 | 6 | 120 | 132 | -- | 265 | 225 | 199 | 8-18 | 186 | 91 | GTD83 |
| 200 | 8 | 140 | 160 | -- | 320 | 280 | 254 | 8-18 | 186 | 91 | GTD83 |
| 250 | 10 | 140 | 187 | -- | 375 | 335 | 309 | 12-18 | 186 | 91 | GTD83 |
| 300 | 12 | 170 | 220 | -- | 440 | 395 | 363 | 12-22 | 254 | 120 | GTD110 |
| 350 | 14 | 170 | 245 | -- | 490 | 445 | 413 | 12-22 | 254 | 120 | GTD110 |
| 400 | 16 | 190 | 270 | -- | 540 | 495 | 463 | 16-22 | 254 | 120 | GTD110 |
| 450 | 18 | 190 | 297 | -- | 595 | 550 | 518 | 16-22 | 296 | 137 | GTD127 |
| 500 | 20 | 190 | 322 | -- | 645 | 600 | 568 | 20-22 | 296 | 137 | GTD127 |
| 600 | 24 | 210 | 377 | -- | 755 | 705 | 667 | 20-26 | 296 | 137 | GTD127 |
| 700 | 28 | 210 | 430 | -- | 860 | 810 | 772 | 24-26 | 384 | 173 | GTD160 |
| 800 | 32 | 210 | 487 | -- | 975 | 920 | 878 | 24-30 | 384 | 173 | GTD160 |
| 900 | 36 | 250 | 537 | -- | 1075 | 1020 | 978 | 24-30 | 384 | 173 | GTD160 |
| 1000 | 40 | 250 | 587 | -- | 1175 | 1120 | 1078 | 28-30 | 501 | 208 | GTD190 |
| 1200 | 48 | 250 | 687 | -- | 1375 | 1320 | 1280 | 32-30 | 501 | 208 | GTD190 |
| 1400 | 56 | 300 | 700 | -- | 1575 | 1520 | 1480 | 36-30 | 501 | 208 | GTD190 |
| 1600 | 84 | 300 | 895 | -- | 1790 | 130 | 1690 | 40-30 | 501 | 208 | GTD190 |
| 1800 | 72 | 300 | 995 | -- | 1990 | 1930 | 1880 | 44-30 | 1090 | 230 | AW17 |
| 2000 | 80 | 300 |
|
|
|
|
|
|
|
|
|
溫馨提示:
本文中所有文字、數據、圖片均只適用于參考。需要查看更多的D641W-1C氣動通風蝶閥性能參數、結構尺寸參數、價格等詳情,或要求高質量印刷樣本,請聯系我們。